HSG系列工程液压缸
HSG系列工程液压缸(16Mpa)型号说明
缓冲部位表
性能参数
注:
1、速比φ:系指活塞有效面积与活塞杆腔有效面积之比
2、最大行程原则上是:φ =1.33时,S=8D(缸径)
φ =1.46时 S=10D(缸径)
φ=2时,S=12D(缸径)
用户所需S>表内规定最大行程时,应通过对方协调解决。
铰轴和中发法兰连接的最小行程按表5、6、7、8选定。
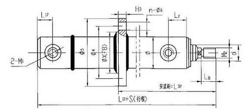
外形及安装尺寸
活塞杆端为外螺纹连接
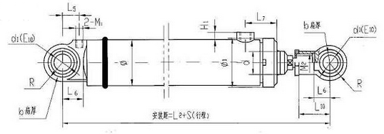
1、耳环连接
2、铰轴连接
3、端部法兰连接
4、中部法兰连接
尺寸
注:1、带▲者仅为速比φ=2时的连接尺寸
2、带※者速比为1.7
3、带△者仅为80缸卡键式尺寸
4、铰轴和中法兰连接的行程不得小于表中S值
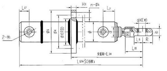
2、活塞杆端为外螺纹杆头耳环连接:
1、耳环连接
2、铰轴连接
3、端部法兰连接
4、中部法兰连接
注:
1、带▲者仅为速比φ=2时的连接尺寸
2、带※者速比为1.7
3、带△者仅为80缸卡键式尺寸
4、铰轴和中法兰连接的行程不得小于表中S值
RO系列圆形油压缸 RO Series oil cylinder
标准ROB+CA型 单耳型
备注:
轴心加大或缩小时如为注明长度尺寸时,按照本公司规定自行加工。
RO40系列行超过500mm以上时,轴心牙加大为 M18×P1.5。
RO系列行程如超过1500mm以上时,活塞长度(PM)请参阅特性资料表。
AST为客户指定之可调行程。
注:
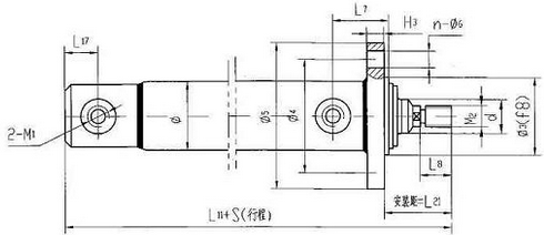
1、M2用于速比φ=1.46和2;M3仅用于速比φ=1.33
2、带▲者仅为速比φ=2时的连接尺寸
3、带△者仅为80缸卡键式尺寸
4、铰轴和中法兰连接的行程不得小于表中S值
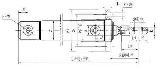
4、活塞杆端为内螺纹杆头耳环连接:
1、耳环连接
2、铰轴连接
3、端部法兰连接
4、中部法兰连接
活塞杆端为内螺纹杆头耳环连接
1、耳环连接
2、铰轴连接
3、端部法兰连接
4、中部法兰连接
推荐资讯 / Recommended News
- 【2025-09-28】油缸内部进空气的原因油缸厂家来为您讲讲
- 【2025-09-25】山东油缸生产厂家来讲讲导致油缸爆裂的原因
- 【2025-09-23】异物进入液压油缸的清理方法,液压油缸生产厂家带您详细了解
- 【2025-09-22】油缸拆卸的准备工作油缸生产厂家为您讲解






